
تاريخ الفيزياء

علماء الفيزياء


الفيزياء الكلاسيكية

الميكانيك

الديناميكا الحرارية


الكهربائية والمغناطيسية

الكهربائية

المغناطيسية

الكهرومغناطيسية


علم البصريات

تاريخ علم البصريات

الضوء

مواضيع عامة في علم البصريات

الصوت


الفيزياء الحديثة


النظرية النسبية

النظرية النسبية الخاصة

النظرية النسبية العامة

مواضيع عامة في النظرية النسبية

ميكانيكا الكم

الفيزياء الذرية

الفيزياء الجزيئية


الفيزياء النووية

مواضيع عامة في الفيزياء النووية

النشاط الاشعاعي


فيزياء الحالة الصلبة

الموصلات

أشباه الموصلات

العوازل

مواضيع عامة في الفيزياء الصلبة

فيزياء الجوامد


الليزر

أنواع الليزر

بعض تطبيقات الليزر

مواضيع عامة في الليزر


علم الفلك

تاريخ وعلماء علم الفلك

الثقوب السوداء


المجموعة الشمسية

الشمس

كوكب عطارد

كوكب الزهرة

كوكب الأرض

كوكب المريخ

كوكب المشتري

كوكب زحل

كوكب أورانوس

كوكب نبتون

كوكب بلوتو

القمر

كواكب ومواضيع اخرى

مواضيع عامة في علم الفلك

النجوم

البلازما

الألكترونيات

خواص المادة


الطاقة البديلة

الطاقة الشمسية

مواضيع عامة في الطاقة البديلة

المد والجزر

فيزياء الجسيمات


الفيزياء والعلوم الأخرى

الفيزياء الكيميائية

الفيزياء الرياضية

الفيزياء الحيوية

الفيزياء والفلسفة

الفيزياء العامة


مواضيع عامة في الفيزياء

تجارب فيزيائية

مصطلحات وتعاريف فيزيائية

وحدات القياس الفيزيائية

طرائف الفيزياء

مواضيع اخرى
السعات الداخلية للصمام الثلاثي Ca
المؤلف:
د/محمد فاروق أحمد و د/محمد خضر كاتب
المصدر:
أسس الإلكترونيات
الجزء والصفحة:
72
5-9-2021
2627
السعات الداخلية للصمام الثلاثي Ca
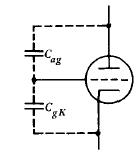
يتميز الصمام الثلاثي بالمقارنة بالثنائي بوجود سعتين رمزنا لهما بالخطوط المتقطعة على الشكل (1)

الشكل (1)
السعة الأولى وهي التي تلعب الدور الأساسي هي السعة بين الشبكة والأنود Cag وتتراوح قيمة هذه السعة في الصمامات المختلفة من عدة بيكوفاراد إلى عدة عشرات من البيكوفاراد. والسعة الثانية هي السعة بين الشبكة والكاثود Cgk وتكون قيمتها أقل من السعة الأولى. وتعتبر هذه السعات من البارامترات المميزة للصمام الثلاثي وهي التي تحدد مجال الترددات التي يمكن أن يستخدم معها الصمام. لذا تعتبر هذه السعات (خاصة Cag) من أهم عيوب الصمام الثلاثي . فعند إستخدام الصمام كمكبر أو كمولد للنبضات ذات الترددات العالية تكون ممانعة هذه السعات صغيرة بالنسبة للمقاومة الديناميكية للصمام. وبذلك لاتستخدم مثل هذه الصمامات عند الترددات العالية.
ومن العيوب لأخرى للصمام الثلاثي تأثر الشبكة بمجال الأنود تأثراً مباشر ، وحيث أن جهد الأنود يكون متغيراً تبعاً لتغير التيار (في الدوائر العملية) فإن الشبكة تقع تحت تأثير مجال متغير ويؤدي هذا بالتالي الى تغير عدد الإلكترونات التي تصطدم بالشبكة أي الى توليد تيار شبكي متغير. وهذ التيار الشبكي المتغير ضار جداً ويعتبر من أهم عيوب الصمام الثلاثي.
الاكثر قراءة في الألكترونيات
اخر الاخبار
اخبار العتبة العباسية المقدسة
الآخبار الصحية

قسم الشؤون الفكرية يصدر كتاباً يوثق تاريخ السدانة في العتبة العباسية المقدسة
"المهمة".. إصدار قصصي يوثّق القصص الفائزة في مسابقة فتوى الدفاع المقدسة للقصة القصيرة
(نوافذ).. إصدار أدبي يوثق القصص الفائزة في مسابقة الإمام العسكري (عليه السلام)